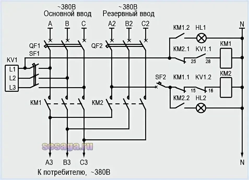
Схема авр на реле контроля фаз

Схема авр на реле контроля фаз. Схема авр на ел-11м-15. Схема авр на реле контроля фаз. Схема щита авр на 380. Схемы авр на 2 ввода с реле контроля фаз и секционником.
Схема авр на реле контроля фаз. Схема авр на ел-11м-15. Схема авр на реле контроля фаз. Схема щита авр на 380. Схемы авр на 2 ввода с реле контроля фаз и секционником.
Схема авр на 2 ввода с 2 реле контроля фаз. Авр на контакторах с реле контроля фаз. Схема авр на 2 ввода 380в на контакторах с реле контроля фаз. Схема подключения авр на контакторах реле контроля фаз. Монтажная схема щита авр.
Схема авр на 2 ввода с 2 реле контроля фаз. Авр на контакторах с реле контроля фаз. Схема авр на 2 ввода 380в на контакторах с реле контроля фаз. Схема подключения авр на контакторах реле контроля фаз. Монтажная схема щита авр.
Схема авр на 2 ввода с 2 реле контроля фаз. Схема авр на реле контроля фаз. Схема авр на реле контроля фаз. Схема авр на реле контроля фаз. Схема авр на 2 ввода с реле контроля фаз на контакторах.
Схема авр на 2 ввода с 2 реле контроля фаз. Схема авр на реле контроля фаз. Схема авр на реле контроля фаз. Схема авр на реле контроля фаз. Схема авр на 2 ввода с реле контроля фаз на контакторах.
Схема авр на реле контроля фаз. Схема авр на реле контроля фаз. Авр с двумя реле контроля фаз схема подключения. Схема переключение генератора с авр 2 ввода. Магнитный пускатель 380 авр схема.
Схема авр на реле контроля фаз. Схема авр на реле контроля фаз. Авр с двумя реле контроля фаз схема подключения. Схема переключение генератора с авр 2 ввода. Магнитный пускатель 380 авр схема.
Схема авр на 2 контакторах и реле контроля фаз. Схема автоматического ввода резерва (авр). Реле контроля фаз 3 фазное схема подключения. Схема щита авр на 380. Схема подключения авр 380в.
Схема авр на 2 контакторах и реле контроля фаз. Схема автоматического ввода резерва (авр). Реле контроля фаз 3 фазное схема подключения. Схема щита авр на 380. Схема подключения авр 380в.
Схема авр на реле контроля фаз. Магнитный пускатель 380в схема подключения авр. Реле контроля фаз 380 для авр. Автоматический ввод резерва авр схема принципиальная. Схема авр на пускателях с реле контроля фаз.
Схема авр на реле контроля фаз. Магнитный пускатель 380в схема подключения авр. Реле контроля фаз 380 для авр. Автоматический ввод резерва авр схема принципиальная. Схема авр на пускателях с реле контроля фаз.
Авр 200а 380в на два ввода схема. Шкаф авр 380в 40а монтажная схема. Схема авр на 2 ввода с реле контроля фаз. Схема авр с секционным выключателем. Схема авр на реле контроля фаз.
Авр 200а 380в на два ввода схема. Шкаф авр 380в 40а монтажная схема. Схема авр на 2 ввода с реле контроля фаз. Схема авр с секционным выключателем. Схема авр на реле контроля фаз.
Схема авр с дгу на 2 ввода. Схема авр на 2 ввода с реле контроля фаз. Схема включения резервного двигателя. Схема авр на пускателях 2 ввода. Схема авр на реле контроля фаз.
Схема авр с дгу на 2 ввода. Схема авр на 2 ввода с реле контроля фаз. Схема включения резервного двигателя. Схема авр на пускателях 2 ввода. Схема авр на реле контроля фаз.
Схема включения авр на 2 пускателях. Схема подключения авр 380в. Схема авр на 2 ввода с 2 реле контроля фаз. Схема авр на 2 ввода с 2 реле контроля фаз. Схема авр на 2 ввода с реле контроля напряжения через контактор.
Схема включения авр на 2 пускателях. Схема подключения авр 380в. Схема авр на 2 ввода с 2 реле контроля фаз. Схема авр на 2 ввода с 2 реле контроля фаз. Схема авр на 2 ввода с реле контроля напряжения через контактор.
Схема авр без реле контроля фаз. Схема авр на 2 ввода с реле контроля фаз на контакторах. Схема авр на 3 ввода с реле контроля фаз. Схема авр на контакторах с реле контроля фаз. Авр на двух контакторах схема подключения.
Схема авр без реле контроля фаз. Схема авр на 2 ввода с реле контроля фаз на контакторах. Схема авр на 3 ввода с реле контроля фаз. Схема авр на контакторах с реле контроля фаз. Авр на двух контакторах схема подключения.
Схема с авр 500а. Схема авр на 2 ввода 380в на магнитных пускателях с реле контроля. Схема авр с 2 реле контроля фаз. Схема типового промышленного шкафа авр. Авр контактор схема подключения 380в.
Схема с авр 500а. Схема авр на 2 ввода 380в на магнитных пускателях с реле контроля. Схема авр с 2 реле контроля фаз. Схема типового промышленного шкафа авр. Авр контактор схема подключения 380в.
Схема авр с реле контроля фаз. Схема однофазного авр на 2 ввода. Схема авр на реле контроля фаз. Схема авр на 2 контакторах и реле контроля фаз. Схема подключения реле контроля фаз 380в.
Схема авр с реле контроля фаз. Схема однофазного авр на 2 ввода. Схема авр на реле контроля фаз. Схема авр на 2 контакторах и реле контроля фаз. Схема подключения реле контроля фаз 380в.
Схема авр 3 фазы. Схема авр на реле контроля фаз. Схема авр на 2 ввода с реле контроля фаз. Авр контактор схема подключения 380в. Монтажная схема авр на 2 ввода 380в на магнитных пускателях.
Схема авр 3 фазы. Схема авр на реле контроля фаз. Схема авр на 2 ввода с реле контроля фаз. Авр контактор схема подключения 380в. Монтажная схема авр на 2 ввода 380в на магнитных пускателях.
Схема авр с 2 реле контроля фаз. Щап-23 принципиальная схема. Схема авр на реле контроля фаз. Схема включения резервного питания 380в. Схема подключения реле контроля фаз к пускателю.
Схема авр с 2 реле контроля фаз. Щап-23 принципиальная схема. Схема авр на реле контроля фаз. Схема включения резервного питания 380в. Схема подключения реле контроля фаз к пускателю.
Схема щап с реле контроля фаз. Схема подключения авр 380в. Схема авр на реле контроля фаз. Схема авр на реле контроля фаз. Простая схема авр на 2 контакторах.
Схема щап с реле контроля фаз. Схема подключения авр 380в. Схема авр на реле контроля фаз. Схема авр на реле контроля фаз. Простая схема авр на 2 контакторах.
Схема авр на 3 ввода с реле контроля фаз. Схема авр на пускателях с реле контроля фаз. Схема авр на 2 ввода с 2 реле контроля фаз. Схема авр на реле контроля фаз. Авр с 2 реле контроля фаз.
Схема авр на 3 ввода с реле контроля фаз. Схема авр на пускателях с реле контроля фаз. Схема авр на 2 ввода с 2 реле контроля фаз. Схема авр на реле контроля фаз. Авр с 2 реле контроля фаз.
Схема авр на 3 ввода. Электросхемы авр 380в. Схема авр на реле контроля фаз. Контактор авр на 2 ввода 380в abb 40а. Схема авр на реле контроля фаз.
Схема авр на 3 ввода. Электросхемы авр 380в. Схема авр на реле контроля фаз. Контактор авр на 2 ввода 380в abb 40а. Схема авр на реле контроля фаз.
Авр на 400а на два ввода схема. Схема авр на 2 ввода с реле контроля напряжения. Авр схема подключения 3х фаз. Схема авр на 2 ввода с 2 реле контроля фаз. Реле контроля фаз ел-11м схема подключения.
Авр на 400а на два ввода схема. Схема авр на 2 ввода с реле контроля напряжения. Авр схема подключения 3х фаз. Схема авр на 2 ввода с 2 реле контроля фаз. Реле контроля фаз ел-11м схема подключения.
Схема авр на реле контроля фаз. Схема авр на 2 ввода с реле контроля фаз. Схема включения реле контроля фаз. Схема авр на 3 ввода с реле контроля фаз. Схема авр на 2 ввода 380в на контакторах с реле контроля фаз.
Схема авр на реле контроля фаз. Схема авр на 2 ввода с реле контроля фаз. Схема включения реле контроля фаз. Схема авр на 3 ввода с реле контроля фаз. Схема авр на 2 ввода 380в на контакторах с реле контроля фаз.
Схема авр на реле контроля фаз. Схема авр на 2 ввода 380в на магнитных пускателях с реле контроля. Схема авр на 2 ввода 380в на контакторах с реле контроля фаз. Схема авр на реле контроля фаз. Реле контроля фаз 3 фазное схема подключения.
Схема авр на реле контроля фаз. Схема авр на 2 ввода 380в на магнитных пускателях с реле контроля. Схема авр на 2 ввода 380в на контакторах с реле контроля фаз. Схема авр на реле контроля фаз. Реле контроля фаз 3 фазное схема подключения.